Footwear

Footwear refers to garments worn on the feet, which typically serve the purpose of protection against adversities of the environment such as wear from rough ground; stability on slippery ground; and temperature.
- Shoes and similar garments ease locomotion and prevent injuries. Such footwear can also be used for fashion and adornment, as well as to indicate the status or rank of the person within a social structure.
- Socks and other hosiery are typically worn additionally between the feet and other footwear for further comfort and relief.
Cultures have different customs regarding footwear. These include not using any in some situations, usually bearing a symbolic meaning. This can however also be imposed on specific individuals to place them at a practical disadvantage against shod people, if they are excluded from having footwear available or are prohibited from using any. This usually takes place in situations of captivity, such as imprisonment or slavery, where the groups are among other things distinctly divided by whether or not footwear is being worn.
In some cultures, people remove their shoes before entering a home. Bare feet are also seen as a sign of humility and respect, and adherents of many religions worship or mourn while barefoot. Some religious communities explicitly require people to remove shoes before they enter holy buildings, such as temples.
In several cultures people remove their shoes as a sign of respect towards someone of higher standing. Similarly, deliberately forcing other people to go barefoot while being shod oneself has been used to clearly showcase and convey one's superiority within a setting of power disparity.
Practitioners of the craft of shoemaking are called shoemakers, cobblers, or cordwainers.
History
Footwear has been used by humans since prehistoric times, with paleoclimatology suggesting that they would have been needed in some areas of human settlement by at least 50,000 years ago (BP) during the Last Glacial Period. Fossilised tracks have been found on the South Cape Coast, South Africa, that may date to 130,000 BP.[1] Osteologists have found evidence of the effect of footwear on human remains by around 40,000 years ago.[2] The oldest shoes so far recovered were found on the Spirit Cave mummy, from Great Basin Desert in Nevada, and dating to approximately 10, 600 BP.[3] Another pair of shoes were recovered by a team under Luther Cressman in Fort Rock Cave, Oregon, US, in 1938. They had been preserved under the Mazama Ash deposited c. 5025 BC during the volcanic eruption that formed Crater Lake.[4] In 1999, they were dated to around 10,500–9,300 BP.[5]
-

-
.jpg)
-

-

-
Footwraps were the common undershoe until the industrial era (2006)
Egyptian butchers sometimes wore platform sandals with thicker soles than usual to raise their feet out of the gore. Wealthier Egyptians also sometimes wore platforms.[6][7] The Greeks distinguished a great variety of footwear, particularly different styles of sandals. The heeled cothurnus was part of the standard costume for tragedians, and the effeminate soccus for comedians. Going barefoot, however, was frequently lauded: Spartan boys undergoing military training,[8] Socrates,[9] and Olympic athletes[10] all went without shoes most of the time. Similarly, ancient China considered footwear an important aspect of civilization—particularly embroidered slippers—but often depicted Taoist immortals and gods like Xuanwu barefoot. The Book of Exodus records Moses reverentially removing his shoes at Mount Sinai and the priests likewise went barefoot at the Temple of Solomon before Babylonian customs prevailed and entering houses of worship in footwear became common in Judaism[11][12] and Christianity.
The Etruscans experienced several footwear trends, including the prominently pointed shoe or boot now known as the calceus repandus.[13] The Romans saw clothing and footwear as unmistakable signs of power and status in society. Patricians typically wore dyed and ornamented shoes of tanned leather with their togas or armor, while plebeians wore rawhide or hobnail boots[8] and slaves were usually required to be barefoot.[14] These class distinctions in footwear seem to have lessened during the imperial period, however, as the emperors appropriated more and more symbols of high status for themselves.[15][16] The Romans were the earliest people currently known to have shaped their right and left shoes distinctly during creation,[2] rather than pulling them tight and allowing them to wear into shape. The Catholic patron saints of shoemaking—Crispin and Crispinian—were martyred during the Diocletianic Persecution.[17]
-

-
_preparing_to_perform_a_religious_rite_found_in_the_theater_in_Herculaneum_37_CE_MANN_INV_5615_MH_(cropped_to_calcei%252C_boots).jpg)
-
.jpg)
-
Equestrian calceus from a Roman statue in France -
Crispin and Crispinian in an Italian print (18th cent.)
In medieval Europe, leather shoes and boots became more common. At first most were simply pieces of leather sewn together and then held tight around the foot with a toggle or drawstring. This developed into the turnshoe, where the sole and upper were sewn together and then turned inside-out to hide and protect the seam and improve water resistance. From the reign of Charlemagne, Byzantine fashions began to influence the west and the pontificalia of the popes and other bishops began to feature greater luxury, including embroidered silk and velvet slippers. By the High Middle Ages, fashion trends periodically prompted sumptuary taxes or regulations and church condemnation for vanity. The 12th-century pigache and 14th- and 15th-century poulaine had elongated toes, often stuffed to maintain their shape. Around the same time, several mendicant orders began practicing discalceation as an aspect of their vows of humility and poverty, going entirely barefoot at all times or only wearing sandals in any weather. From the 1480s, the poulaine was replaced by the duckbill, which had a flat front but soon became impractically wide. The stiff hose of the era usually required fairly soft footwear, which in turn was easier to damage in the dirt and muck of the street and outdoors. This led many people to use wooden-soled calopedes, pattens, or galoshes, overshoes that served as a platform while walking.[18] Particularly in Venice, these platforms were combined with the shoe to make chopines, sometimes so awkwardly high that the wearer required servants to help support them. (Turkish sources, meanwhile, credit the chopines directly to the nalins worn in Ottoman baths and whose height was considered to be a marker of status.)[19]
-
Byzantine Egyptian slippers decorated in gold (6th cent.) -

-
.svg.png)
-

-

-
-
Modern reconstruction of a Venetian chopine from the 16th cent.
By the early modern period, the development of better socks and less stiff hose allowed European footwear to become firmer and more durable. Welting was developed, using a narrow band of leather between the uppers and sole to improve appearance and comfort, increase water resistance, and simplify repair, particularly resoling worn shoes. Beginning with the 1533 marriage of the 14-year-old Florentine Catherine de Medici to Prince Henry of France,[16] both male and female royalty and nobles began wearing high heels, giving rise to the expression "well heeled".[20][21] This was done sometimes for display or appearance and sometimes as an aid to riding in stirrups. For the most part, male footwear was more ornate and expensive because women's feet were usually covered by the large dresses of the era.[2] Shoe fetishism was first publicized in the work of Nicolas-Edme Rétif in prerevolutionary France.[22] 17th-century Cavalier boots developed into upper-class fashion and into sailing boots prized by fishermen and pirates before being replaced as military gear by the 18th-century Hessian and 19th-century Wellington boot. In Ming and Qing China, foot binding led to the development of lotus shoes for Han women and then flowerpot shoes for the Manchu women who wanted to emulate the characteristic walk of women with bound feet without undergoing the process themselves. In Africa, North America, and Spanish and Portuguese South America, slave codes often mandated slaves should be barefoot at all times without exception.[23] Following its independence, the American South was an exception. Its demand for masses of low-quality shoes for its slaves was met by workshops in Boston, Philadelphia, and New York, a dependence that later hobbled the Confederate Army during the Civil War[24] and became responsible in legend for the decisive Battle of Gettysburg.[25]
-
_-_Louvre_Museum.jpg)
-

-
19th-century Moccasins of the Cree and Blackfoot, partially modified following first contact with Europeans -

-
Manchu flowerpot shoes intended to mimic the same gait -
Brogans of the type worn by both sides of the American Civil War -
Boots supposedly worn by Abraham Lincoln at his assassination (1930s/40s)
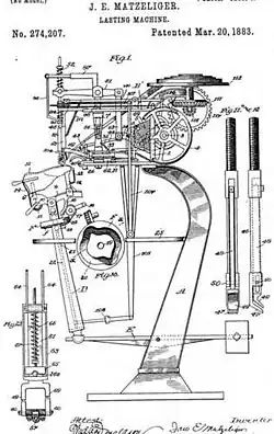
Amid the Industrial Revolution, John Adam Dagyr's introduction of assembly line production[16][26] and tight quality control[27] to the "ten-footer" workshops[28] in Lynn, Massachusetts, US, around 1760 is sometimes credited as the first shoe factory.[2] However, although mechanized textile mills greatly reduced the price of proper socks, each step of the shoemaking process still needed to be done by hand in a slowly optimized putting-out system.[26][29] The first mechanized systems—developed by Marc Isambard Brunel in 1810 to supply boots to the British Army amid the Napoleonic Wars—failed commercially as soon as the wars were over because the demobilized soldiers reduced the price of manual labor.[30] John Nichols's 1850 adaptation of Howe and Singer's sewing machines to handle binding uppers to soles[31] and the Surinamese immigrant Jan Ernst Matzeliger's 1880 invention of an automatic lasting machine finally allowed true industrialization, taking the productivity of individual workers from 20 or 50 pairs a day to as many as 700, halving prices,[26][32] and briefly making Lynn the center of world shoe production.[33][34] As late as 1865, most men in the industry identified in the census and city directory as general purpose "cordwainers" or "shoemakers"; by 1890, they were almost universally described as "shoe workers" or—more often—by the specific name of their work within the industry: "edgesetter", "heel trimmer", "McKay machine operator".[26] Many were replaced by cheaper immigrants;[26] the Czech Tomáš Baťa joined these workers at Lynn in 1904 and then returned to his own factory in Zlín, Moravia, mechanizing and rationalizing its production while guiding the factory town that developed into a garden city.
-
A preserved "ten footer" in Stoneham, Massachusetts (2013) -
Lynn, Massachusetts, in 1849 -
American shoemakers demonstrating machinery to visiting Chinese in 1870 -
Lynn in 1879 -

-
Women creating uppers in Lynn in 1895 -
Bata advertisement for their half-price response to the 1920 Depression
By the early 20th century, vulcanization had led to the development of plimsolls, deck shoes, rubber boots, galoshes, and waders. The prevalence of trench foot in World War I focused attention on the importance of providing of adequate footwear in following conflicts, although this was not always possible. Millions of Chinese soldiers in both the NRA and PLA were obliged to use straw and rope shoes to allow easy replacement on long marches during both World War II and the following civil war,[35] contributing to disease and desertion, particularly among the Nationalists.[36][37] Following the world wars, the increasing importance of professional sports greatly popularized a variety of athletic shoes, particularly sneakers. Major brands such as Converse, Adidas, and Nike used celebrity endorsements from Chuck Taylor, Michael Jordan, Lionel Messi, and others to promote their products. Fashion houses periodically prompted new trends in women's and high-end fashion. In particular, while working for Christian Dior, Roger Vivier popularized the stiletto heel in 1954. (Men's dress shoes have tended to retain 19th-century British looks such as the Oxford shoe and loafers.) Various subcultures have employed distinctive footwear as part of their identity, including winklepickers, Doc Martens, and skate shoes.
-
Rubber boots ready for shipment in 1917 -
People's Liberation Army straw sandals at the Museum of the People's Revolution (2017) -
Tossed Chuck Taylor All-Stars in Italy (2018) -
Ballet shoes (2013) -
Soccer cleats, known in British as "football boots" (2018) -
Stiletto heels at Cannes (2016) -

The international trade in footwear was at first chiefly restricted to American exports to Europe and Europe's exports to its various colonial empires.[38] Assisted by the Marshall Plan after World War II, Italy became the major shoe exporting country in the 1950s.[38][39] It was joined in the 1960s by Japan, which offshored its production to Taiwan, South Korea, and Hong Kong as its own labor became too expensive.[38] In their turn, the Hong Kong manufacturers began moving production to Guangdong in mainland China almost immediately after the establishment of Deng Xiaoping's Opening Up Policy in the early 1980s.[38] Competitors were soon forced to follow suit, including removal of Taiwanese and Korean[40] production to Fujian and to Wenzhou in southern Zhejiang.[38] Similarly, amid Perestroika and the Fall of Communism, Italy dismantled its domestic industry, outsourcing its work to Eastern Europe, which proved less dependable than the Chinese and further eroded their market share.[41] Beginning around the year 2000, China has constantly produced more than half of the world's shoes.[42] As of 2021, footwear is the 30th most traded category internationally;[43] but, while China produces well over 60% of exported footwear,[44] it currently earns less than 36% of the value of the total trade[45] owing to the continuing importance of American, German, and other brands in the North American and European markets.
-
Assembly line in a French shoe factory (1948) -

-
A shoe factory in Fridingen, Germany (2016) -

-
Shoes and fruit at a Hong Kong market (2007) -
Shoe store in a Beijing mall (2017)
Materials
Modern footwear is usually made of leather or plastic, and rubber. In fact, leather was one of the original materials used for the first versions of a shoe.[46] The soles can be made of rubber or plastic, sometimes with the addition of a sheet of metal on the inside. Roman sandals had sheets of metal on their soles so that they would not bend out of shape.
In more recent times, footwear suppliers such as Nike have begun to source environmentally friendly materials.[47]
Components

Types
Boots
Shoes


- Athletic shoes (also known as trainers or sneakers)
- Ballet flats
- Boat shoes
- Brothel creepers
- Court shoes (known in the US as pumps)
- Espadrilles
- Galoshes
- Kitten heels
- Lace-up shoes
- High-tops
- Loafers
- Mary Janes
- Moccasins
- Monks
- Mules
- Platform shoes
- Plimsoll shoes
- School shoes
- Skate shoes
- Tap shoes
- Toe shoes

Sandals
- Sandals
- Kolhapuri Chappals
- Peshawari chappal
- Flip-flops (thongs)
- Slide
- Wörishofer
- Avarca, from Balearic Islands

A pair of Sandals
Slippers
Specific footwear

- Ballet shoes
- High-heeled footwear
- Climbing shoes
- Clogs
- Cleats
- Crocs
- Diabetic shoes
- Minimalist shoe
- Sabaton
- Sailing boots
- Skates
- Ski boots
- Snowshoes
- Spats
- Steel-toe boot
- Surgical shoe
- Pointe shoes
- Swimfins (flippers)
Traditional footwear
- Abarka, of leather, from Pyrenees
- Areni-1 shoe, 5,500-year-old leather shoe found in Armenia
- Bast shoe, of bast, from Northern Europe
- Crakow, shoes from Poland with long toes popular in the 15th century
- Galesh, of textile, from Iran
- Geta, of wood, from Japan
- Klompen, of wood, from the Netherlands
- Opanci, of leather, from Balkans
- Pampooties, of hide, from Ireland
Socks



Footwear industry
In Europe, recent decades have seen a decline in the footwear industry. While about 27,000 firms were in business in 2005, only 21,700 remained in 2009. Not only have these firms decreased in number, but direct employment has also reduced within the sector.[48]
In the U.S., the annual footwear industry revenue was $48 billion in 2012. In 2015, there were about 29,000 shoe stores in the U.S. and the shoe industry employed about 189,000 people.[49] Due to rising imports, these numbers are also declining. The only way of staying afloat in the shoe market is to establish a presence in niche markets.[50]
Safety of footwear products
To ensure high quality and safety of footwear, manufacturers have to make sure all products comply to existing and relevant standards. By producing footwear in accordance with national and international regulations, potential risks can be minimized and the interest of both textile manufacturers and consumers can be protected. The following standards/regulations apply to footwear products:
- CPSIA
- GB Standards such as
- GB20400-2006 Leather and fur-limit of harmful matter
- QB/T1002-2005 Leather shoes
- GB/T 15107 Athletic footwear
- EN Standards for Footwear
- ASTM Standards[51]
- ISO standards[52]
- AAFA Restricted Substance List
- BIS (ISI) : IS 15298-I: 2011 test methods, IS 15298 –II for safety footwear, IS 15298-III Protective footwear, IS 15298-IV Occupational Footwear
Impressions
Footwear can create two types of impressions: two-dimensional and three-dimensional impressions.[53] When footwear places material onto a solid surface, it creates a two-dimensional impression.[53][54] These types of impressions can be made with a variety of substances, like dirt and sand.[53] When footwear removes material from a soft surface, it creates a three-dimensional impression.[53][54] These types of impressions can be made in a variety of soft substances, like snow and dirt.[53] Two-dimensional impressions also differ from three-dimensional impressions because the latter demonstrate length, width, and depth whereas two-dimensional impressions only demonstrate the first two aspects.[54]
See also
References
- ^ Lazaro, Enrico de (2023-09-15). "Middle Paleolithic Tracks Offer Oldest Evidence Yet of Human Footwear | Sci.News". Sci.News: Breaking Science News. Retrieved 2025-08-09.
- ^ a b c d Lewis, Robert (2022), "Shoes", Official site, Chicago: Encyclopaedia Britannica.
- ^ Redmond, Caroline (2025-02-20). "Mystery Of 10,600-Year-Old 'Spirit Cave Man,' Earth's Oldest Natural Mummy, Finally Solved". All That's Interesting. Retrieved 2025-08-09.
- ^ Connolly, Tom (11 January 2016), The World's Oldest Shoes, Eugene: University of Oregon.
- ^ "World's Oldest Shoes in Oregon...", The Seattle Times, Seattle, 1 December 1999
{{citation}}: CS1 maint: location missing publisher (link). - ^ Jones, Kirtly (7 January 2016), High Heels' Damage to the Human Foot, Salt Lake City: University of Utah, College of Health Care.
- ^ Mollerup, Per (30 September 2019), High Heels, MIT Press, pp. 76–77, ISBN 9780262351577 – via IEEE Xplore.
- ^ a b Purser, Louis Claude (1890), "Calceus", A Dictionary of Greek and Roman Antiquities, London: William Wayte.
- ^ Nails, Debra; et al. (2022), "Socrates", Stanford Encyclopedia of Philosophy, Stanford: Stanford University.
- ^ "Unearthing the First Spartan Boys where not allowed to wear shoes to toughen their feet and allow stronger dexterity in their toes Olympics". NPR. July 19, 2004. Archived from the original on July 28, 2010. Retrieved July 1, 2010.
- ^ Golinkin, David (13 August 2020), "Is It Permissible to Pray Barefoot?", Official site, Tel Aviv: Schechter Institute of Jewish Studies.
- ^ Jastrow, Morris Jr.; et al. (1906), "Barefoot", Jewish Encyclopedia, New York: Funk & Wagnalls.
- ^ Bonfante, Larissa (1975), Etruscan Dress, Baltimore: Johns Hopkins University Press, p. 61, ISBN 9780801874130.
- ^ DeMello, Margo (1 September 2009). Feet and footwear: a cultural encyclopedia. Macmillan. pp. 65–. ISBN 978-0-313-35714-5. Retrieved 29 January 2012.
- ^ Talbert, Richard John Alexander (1984), The Senate of Imperial Rome, Princeton: Princeton University Press.
- ^ a b c Chin, Lily (1999), "Shoes", Millennium Web Package, San Jose: Knight Ridder/Tribune Information Services.
- ^ Meier, Gabriel (1908), "Sts. Crispin and Crispinian", The Catholic Encyclopedia, vol. 4, New York: Robert Appleton Co..
- ^ "Dangerous Elegance: A History of High-Heeled Shoes". Retrieved July 1, 2010.
- ^ Ergil, Leyla Yvonne (11 August 2017), "Magic Slippers: Tales of the Turkish 'Terlik'", The Daily Sabah.
- ^ Goonetilleke, Ravindra (2012), The Science of Footwear (Human Factors and Ergonomics), CRC Press, ISBN 978-1-4398-3568-5.
- ^ Dangerous Elegance: A History of High-Heeled Shoes, retrieved 1 July 2010
- ^ Rétif, Nicolas-Edme (1769), Le Pied de Fanchette (in French).
- ^ Frazine, Richard Keith (1993). The Barefoot Hiker. Ten Speed Press. p. 98. ISBN 0-89815-525-8.
- ^ Bierle, Sarah Kay (7 April 2022), "On the March: A Few Notes on Shoes & Boots", Official site, Stevenson Ridge: Emerging Civil War.
- ^ Wolfe, Brendan (7 December 2020), "Shoes at Gettysburg", Encyclopedia Virginia, Charlottesville: Virginia Humanities.
- ^ a b c d e Mulligan, William H. Jr. (March 1981), "Mechanization and Work in the American Shoe Industry: Lynn, Massachusetts, 1852–1883", The Journal of Economic History, vol. 41, Cambridge: Cambridge University Press, pp. 59–63, JSTOR 2120894.
- ^ Federal Writer's Project of the Works Progress Administration for Massachusetts (1937), "Lynn", Massachusetts: A Guide to Its Places and People, American Guide Series, Cambridge: Riverside Press.
- ^ "How Massachusetts Became Shoemaker to the Country", Official site, Boston: Computer Images, 2016.
- ^ Dooley, William H. (1912), A Manual of Shoemaking and Leather and Rubber Products, Boston: Little, Brown, & Co., p. 253
- ^ "History of Shoemaking in Britain—Napoleonic Wars and the Industrial Revolution", Heart & Sole: Boot and Shoe Making in Staffordshire, Shugborough: Staffordshire County Museum, 9 December 2010, archived from the original on 2 February 2014, retrieved 1 July 2023.
- ^ Cutter, William Richard; et al. (2021), "John Brooks Nichols", Fiddlebase.
- ^ Lienhard, Jan H. (2000), "No. 522: Jan Matzeliger", Engines of Our Ingenuity, Houston: University of Houston.
- ^ Computer Images (2016).
- ^ Herwick, Edgar B. III (30 May 2014), "How Lynn Became the Shoe Capital of the World", Official site, Boston: WGBH.
- ^ Beevor, Antony (2012), The Second World War, London: Hachette, p. 91, ISBN 9780297860709.
- ^ Nolan, Cathal J. (2010), "Guomintang", The Concise Encyclopedia of World War II, vol. I, Santa Barbara: Greenwood, ISBN 9780313365270.
- ^ Camp, LaVonne Telshaw (1997), Lingering Fever: A World War II Nurse's Memoir, Jefferson: McFarland & Co., p. 41, ISBN 9780786403226.
- ^ a b c d e Clothier & al. (2005), p. 6.
- ^ "History of Shoemaking in Britain—The 20th Century", Heart & Sole: Boot and Shoe Making in Staffordshire, Shugborough: Staffordshire County Museum, 9 December 2010, archived from the original on 19 February 2014, retrieved 3 July 2023
{{citation}}: CS1 maint: bot: original URL status unknown (link). - ^ Clothier & al. (2005), p. 11.
- ^ Clothier & al. (2005), p. 30.
- ^ Clothier, Anthony; et al. (21 September 2005), The Chinese Footwear Industry and Its Influence upon the World Trade (PDF), 15th Meeting of the UNIDO Leather Panel, Leo/n: United National Industrial Development Organization, p. 5.
- ^ "Footwear", Observatory of Economic Complexity, Cambridge: Datawheel, 2023.
- ^ Smith, P. (2022), "Leading 10 Global Footwear Exporters 2021 by Country", Official site, New York: Statista.
- ^ OEC (2023).
- ^ "The Fascinating History Of Footwear". All That Is Interesting. 2013-04-23. Retrieved 2016-10-24.
- ^ "What materials are used to make Nike shoes?". Reference. Retrieved 2016-10-24.
- ^ Directorate-General for Enterprise and Industry (European Commission) (2012). In-depth assessment of the situation of the European footwear sector and prospects for its future development (Report). NB-01-14-255-EN-N. Retrieved 6 December 2023.
- ^ "Footwear Industry Statistics". www.statisticbrain.com. Archived from the original on 20 May 2015. Retrieved 2 May 2015.
- ^ "Shoe & Footwear Manufacturing in the US Market Research – IBISWorld". Retrieved 2 May 2015.
- ^ "Standard Specification for Performance Requirements for Protective (Safety) Toe Cap Footwear". Retrieved 5 July 2016.
- ^ "ISO – ISO Standards – ISO/TC 216 – Footwear". Retrieved 2 May 2015.
- ^ a b c d e Gardner, Ross M. (30 June 2021). Practical crime scene processing and investigation. Taylor & Francis Limited. ISBN 978-1-032-09443-4. OCLC 1255870591.
- ^ a b c Baxter Jr, E (2015). Complete Crime Scene Investigation Handbook. CRC Press. pp. 284–285.
Further reading
- Goonetilleke, R.S. (2012). The Science of Footwear. Human Factors and Ergonomics. Taylor & Francis. ISBN 978-1-4398-3568-5. 726 pages.
- Wilcox, R.T. (2008). The Mode in Footwear: A Historical Survey with 53 Plates. Dover Fashion and Costumes Series. Dover Publications. ISBN 978-0-486-46761-0. 190 pages.
- Riello, G. (2006). A Foot in the Past: Consumers, Producers and Footwear in the Long Eighteenth Century. Pasold studies in textile history. Pasold Research Fund/Oxford University Press. ISBN 0-19-929225-6. 302 pages.
External links
Media related to Footwear at Wikimedia Commons- Encyclopædia Britannica: clothing and footwear industry


.jpg)
%252C_first_securely_documented_1447%252C_died_1475_-_Moses_and_the_Burning_Bush%252C_with_Moses_Removing_His_Shoes_-_Google_Art_Project.jpg)
