1911 Encyclopædia Britannica/Gas Engine

GAS ENGINE. A gas engine is a heat engine in which the working fluid is atmospheric air and the fuel an inflammable gas. It differs from a hot-air or a steam engine in that the heat is given to the working fluid by combustion within the motive power cylinder. In most gas engines—in fact, in all those at present on the market—the working fluid and the fuel that supplies it with heat are mixed with each other before the combustion of the fuel. The fuel—which in the steam and in most hot-air engines is burned in a separate furnace—is, in the gas engine, introduced directly to the motor cylinder and burned there; it is, indeed, part of the working fluid. A gas engine, therefore, is an internal combustion engine using gaseous fuel.

The commercial history of the gas engine dates from 1876, when Dr N. A. Otto patented the well-known engine now in extensive use, but long before that year inventors had been at work, attempting to utilize gas for producing motive power. The first proposal made in Great Britain is found in Street’s Patent No. 1983 of 1794, where an explosion engine is suggested, the explosion to be caused by vaporizing spirits of turpentine on a heated metal surface, mixing the vapour with air in a cylinder, firing the mixture, and driving a piston by the explosion produced. Most of the early engines were suggested by the fact that a mixture of an inflammable gas and atmospheric air gives an explosion when ignited—that is, produces pressure which can be applied in a cylinder to propel a piston. Lebon, in France, proposed a gas engine in which the gas and air were raised to a pressure above that of the atmosphere before use in the cylinder, but he did not appear to be clear in his ideas.

Some interesting particulars of early experiments are given in a paper read at the Cambridge Philosophical Society in 1820 entitled, “On the Application of Hydrogen Gas to produce a Moving Power in Machinery, with a description of an Engine which is moved by the pressure of the Atmosphere upon a Vacuum caused by Explosions of Hydrogen Gas and Atmospheric Air.” In that paper the Rev. W. Cecil describes an engine of his invention constructed to operate on the explosion vacuum method. This engine was stated to run with perfect regularity at 60 revolutions per minute, consuming 17.6 cub. ft. of hydrogen gas per hour. The hydrogen explosion, however, does not seem to have been noiseless, because Mr Cecil states that in building a larger engine “... to remedy the noise which is occasioned by the explosion, the lower end of the cylinder A, B, C, D may be buried in a well or it may be enclosed in a large air-tight vessel.” Mr Cecil also mentions previous experiments at Cambridge by Prof. Farish, who exhibited at his lectures on mechanics an engine actuated by the explosion of a mixture of gas and air within a cylinder, the explosion taking place from atmospheric pressure. Prof. Farish is also stated to have operated an engine by gunpowder. These engines of Farish and Cecil appear to be the very earliest in actual operation in the world.

Samuel Brown, in patents dated 1823 and 1826, proposed to fill a closed chamber with a gas flame, and so expel the air; then he condensed the flame by injecting water, and operated an air engine by exhausting into the partial vacuum so obtained. The idea was evidently suggested by Watt’s condensing steam engine, flame being employed instead of steam to obtain a vacuum. Brown’s engine is said to have been actually employed to pump water, drive a boat on the Thames, and propel a road carriage. L. W. Wright in 1833 described an explosion engine working at atmospheric pressure and exploding on both sides of the piston. The cylinder is shown as water-jacketed. In William Barnett’s engine of 1838 two great advances were made. The engine was so constructed that the mixture of gas and air was compressed to a considerable extent in the motor cylinder before ignition. The method of igniting the compressed charge was also effective. The problem of transferring a flame to the interior of a cylinder when the pressure is much in excess of that of the external air was solved by means of a hollow plug cock having a gas jet burning within the hollow. In one position the hollow was opened to the atmosphere, and a gas jet issuing within it was lit by an external flame, so that it burned within the hollow. The plug was then quickly rotated, so that it closed to the external air and opened to the engine cylinder; the flame continued to burn with the air contained in the cock, until the compressed inflammable mixture rushed into the space from the cylinder and ignited at the flame. This mode of ignition is in essentials the one adopted by Otto about thirty years later. To Barnett belongs the credit of being the first to realize clearly the great idea of compression before explosion in gas engines, and to show one way of carrying out the idea in practice. Barnett appears to have constructed an engine, but he attained no commercial success. Several attempts to produce gas engines were made between 1838 and 1860, but they were all failures. Several valuable ideas were published in 1855. Drake, an American, described a mode of igniting a combustible gaseous mixture by raising a thimble-shaped piece of metal to incandescence. In 1857 Barsanti and Matteucci proposed a free-piston engine, in which the explosion propelled a free piston against the atmosphere, and the work was done on the return stroke by the atmospheric pressure, a partial vacuum being produced under the piston. The engine never came into commercial use, although the fundamental idea was good.

Previous to 1860 the gas engine was entirely in the experimental stage, and in spite of many attempts no practical success was attained. E. Lenoir, whose patent is dated 1860, was the inventor of the first gas engine that was brought into general use. The piston, moving forward for a portion of its stroke by the energy stored in the fly-wheel, drew into the cylinder a charge of gas and air at the ordinary atmospheric pressure. At about half stroke the valves closed, and an explosion, caused by an electric spark, propelled the piston to the end of its stroke. On the return stroke the burnt gases were discharged, just as a steam engine exhausts. These operations were repeated on both sides of the piston, and the engine was thus double-acting. Four hundred of these engines were said to be at work in Paris in 1865, and the Reading Iron Works Company Limited built and sold one hundred of them in Great Britain. They were quiet, and smooth in running; the gas consumption, however, was excessive, amounting to about 100 cub. ft. per indicated horse-power per hour. The electrical ignition also gave trouble. Hugon improved on the engine in 1865 by the introduction of a flame ignition, but no real commercial success was attained till 1867, when Otto and Langen exhibited their free-piston engine in the Paris Exhibition of that year. This engine was identical in principle with the Barsanti and Matteucci, but Otto succeeded where those inventors failed. He worked out the engine in a very perfect manner, used flame ignition, and designed a practical clutch, which allowed the piston free movement in one direction but engaged with the fly-wheel shaft when moved in the other; it consisted of rollers and wedge-shaped pockets—the same clutch, in fact, as has since been so much used in free-wheel bicycles. This engine consumed about 40 cub. ft. of gas per brake horse-power per hour—less than half as much as the Lenoir. Several thousands were made and sold, but its strange appearance and unmechanical operation raised many objections. Several inventors meanwhile again advocated compression of the gaseous mixture before ignition, among them being Schmidt, a German, and Million, a Frenchman, both in 1861.

To a Frenchman, Alph. Beau de Rochas, belongs the credit of proposing, with perfect clearness, the cycle of operations now widely used in compression gas engines. In a pamphlet published in Paris in 1862, he stated that to obtain economy with an explosion engine four conditions are requisite: (1) The greatest possible cylinder volume with the least possible cooling surface; (2) the greatest possible rapidity of explosion; (3) the greatest possible expansion; and (4) the greatest possible pressure at the beginning of the expansion. The sole arrangement capable of satisfying these conditions he stated would be found in an engine operating as follows: (1) Suction during an entire out-stroke of the piston; (2) compression during the following in-stroke; (3) ignition at the dead point, and expansion during the third stroke; (4) forcing out of the burnt gases from the cylinder on the fourth and last return stroke. Beau de Rochas thus exactly contemplated, in theory at least, the engine produced by Dr Otto fourteen years later. He did not, however, put his engine into practice, and probably had no idea of the practical difficulties to be overcome before realizing his conception in iron and steel. To Dr Otto belongs the honour of independently inventing the same cycle, now correctly known as the Otto cycle, and at the same time overcoming all practical difficulties and making the gas engine of world-wide application. This he did in 1876, and his type of engine very rapidly surpassed all others, so that now the Otto-cycle engine is manufactured over the whole world by hundreds of makers. In 1876 Dr Otto used low compression, only about 30 ℔ per sq. in. above atmosphere. Year by year compression was increased and greater power and economy were obtained, and at present compressions of more than 100 ℔ per sq. in. are commonly used with most satisfactory results.

The history of the subject since 1876 is one of gradual improvement in detail of construction, enabling higher compressions to be used with safety, and of gradual but accelerating increase in dimensions and power. In the same period light and heavy oil engines have been developed, mostly using the Otto cycle (see Oil Engine).

Gas engines may be divided, so far as concerns their working process, into three well-defined types:—

(1) Engines igniting at constant volume, but without previous compression.

(2) Engines igniting at constant pressure, with previous compression.

(3) Engines igniting at constant volume, with previous compression.

For practical purposes engines of the first type may be disregarded. Gas engines without compression are now considered to be much too wasteful of gas to be of commercial importance. Those of the second type have never reached the stage of extended commercial application; they are scientifically interesting, however, and may take an important place in the future development of the gas engine. The expectations of Sir William Siemens with regard to them have not been realized, although he spent many years in experiments. Of other engineers who also devoted much thought and work to this second type may be mentioned Brayton (1872); Foulis (1878); Crowe (1883); Hargreaves (1888); Clerk (1889); and Diesel (1892). Diesel’s engines are proving successful as oil engines but have not been introduced as gas engines.

The working cycles of the three types are as follows:—

First Type.—Four operations.

(a) Charging the cylinder with explosive mixture at atmospheric pressure.

(b) Exploding the charge.

(c) Expanding after explosion.

(d) Expelling the burnt gases.

Second Type.—Five operations.

(a) Charging the pump cylinder with gas and air mixture at atmospheric pressure.

(b) Compressing the charge into an intermediate receiver.

(c) Admitting the charge to the motor cylinder, in a state of flame, at the pressure of compression.

(d) Expanding after admission.

(e) Expelling the burnt gases.

Third Type.—Five operations.

(a) Charging the cylinder with gas and air mixture at atmospheric pressure.

(b) Compressing the charge into a combustion space.

(c) Exploding the charge.

(d) Expanding after explosion.

(e) Expelling the burnt gases.

In all these types the heating of the working fluid is accomplished by the rapid method of combustion within the cylinder, and for the cooling necessary in all heat engines is substituted the complete rejection of the working fluid with the heat it contains, and its replacement by a fresh portion taken from the atmosphere at atmospheric temperature. This is the reason why those cycles can be repeated with almost indefinite rapidity, while the old hot-air engines had to run slowly in order to give time for the working fluid to heat or cool through metal surfaces.

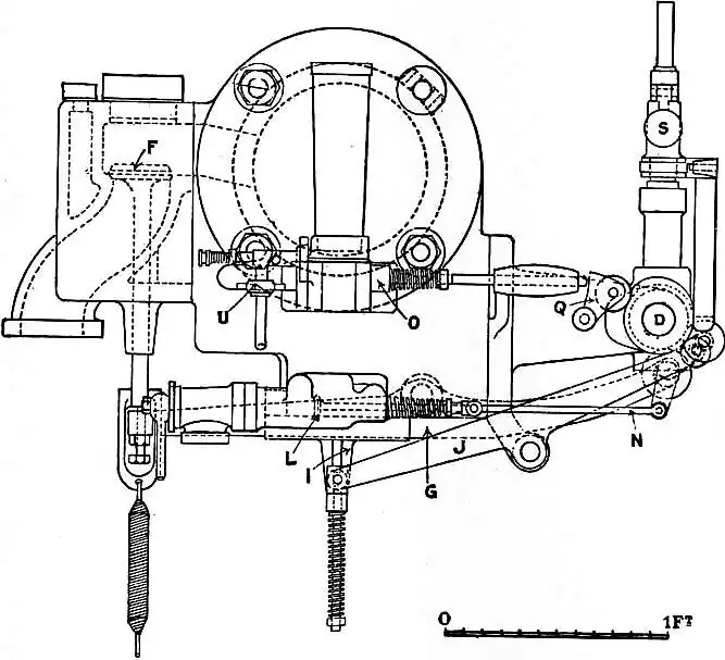
Fig. 1.—Side Elevation of Otto Cycle Engine.

Four-cycle Engines.—Otto-cycle engines belong to the third type, being explosion engines in which the combustible mixture is compressed previous to explosion. Fig. 1 is a side elevation, fig. 2 is a sectional plan, and fig. 3 is an end elevation of an engine built about 1892 by Messrs Crossley of Manchester, who were the original makers of Otto engines in Great Britain. In external appearance it somewhat resembles a modern high-pressure steam engine, of which the working parts are exceedingly strong. In its motor and only cylinder, which is horizontal and open-ended, works a long trunk piston, the front end of which carries the crosshead pin. The crank shaft is heavy, and the fly-wheel large, considerable stored energy being required to carry the piston through the negative part of the cycle. The cylinder is considerably longer than the stroke, so that the piston when full in leaves a space into which it does not enter. This is the combustion space, in which the charge is first compressed and then burned. On the forward stroke, the piston A (fig. 2) takes into the cylinder a charge of mixed gas and air at atmospheric pressure, which is compressed by a backward stroke into the space Z at the end of the cylinder. The compressed charge is then ignited, and so the charge is exploded with the production of a high pressure. The piston now makes a forward stroke under the pressure of the explosion, and on its return, after the exhaust valve is opened, discharges the products of combustion. The engine is then ready to go through the same cycle of operations. It thus takes four strokes or two revolutions of the shaft to complete the Otto cycle, the cylinder being used alternately as a pump and a motor, and the engine, when working at full load, thus gives one impulse for every two revolutions. The valves, which are all of the conical-seated lift type, are four in number—charge inlet valve, gas inlet valve, igniting valve, and exhaust valve. The igniting valve is usually termed the timing valve, because it determines the time of the explosion. Since the valves have each to act once in every two revolutions, they cannot be operated by cams or eccentrics placed directly on the crank shaft. The valve shaft D is driven at half the rate of revolution of the crank shaft C by means of the skew or worm gear E, one wheel of which is mounted on the crank shaft and the other on the valve shaft. Ignition is accomplished by means of a metal tube heated to incandescence by a Bunsen burner. At the proper moment the ignition or timing valve is opened, and the mixed gas and air under pressure being admitted to the interior of the tube, the inflammable gases come into contact with the incandescent metal surface and ignite; the flame at once spreads back to the cylinder and fires its contents, thus producing the motive explosion.

The working parts are as follows:—A the piston, B the connecting rod, C the crank shaft, D the side or valve shaft, E the skew gearing, F the exhaust valve, G the exhaust valve lever, H the exhaust valve cam, I the charge inlet valve, J the charge inlet valve lever, K the charging valve cam, L the gas inlet valve, M the gas valve cam, N lever and link operating gas valve, O igniting or timing valve, P timing valve cam, Q timing valve lever or tumbler, R igniting tube, S governor, T water jacket and cylinder, U Bunsen burner for heating ignition tube. On the first forward or charging stroke the charge of gas and air is admitted by the inlet valve I, which is operated by the lever J from the cam K, on the valve shaft D. The gas supply is admitted to the inlet valve I by the lift valve L, which is also operated by the lever and link N from the cam M, controlled, however, by the centrifugal governor S. The governor operates either to admit gas wholly, or to cut it off completely, so that the variation in power is obtained by varying the number of the explosions.

Since the engine shown in figs. 1 to 3 was built further modifications have been made, principally in the direction of dispensing with or diminishing port space, that is, so arranging the ports that the compression space is not broken up into several separate chambers. In this way the cooling surface in contact with the intensely hot gases is reduced to a minimum. This is especially important when high compressions are used, as then the compression space being small, the port spaces form a large proportion of the total space. For maximum economy it is necessary to get rid of port space altogether; this is done by making the lift valves open directly into the compression space. This arrangement can be readily made in small- and medium-sized engines, but in the larger engines it becomes necessary to provide ports, so as to allow the valves to be more easily removed for cleaning.

The construction of pressure gas plant in 1878 by J. E. Dowson for the production of inflammable gas from anthracite and coke by the action of air mixed with steam, soon led to the development of larger and larger Otto cycle engines. The gas obtained consisted of a mixture of carbon monoxide, hydrogen, nitrogen and some carbon dioxide and oxygen, having a lower heating value of about 150 British thermal units per cubic foot. With this gas these engines used about 1 ℔ of anthracite per b.h.p. per hour.

From the pressure producer sprang the suction producer first placed on the market in practical form by M. Benier of Paris in 1894, but then presenting many difficulties which were not removed till about nine years later when Dowson and others placed effective suction plants in use in considerable numbers. Such suction plants are now built by all the leading gas engine constructors for powers varying from 10 to 500 i.h.p.

Fig. 2.—Plan of Otto Cycle Engine.

Dr Ludwig Mond and Crossley Bros. also attacked the problem of the bituminous fuel producer, of which many examples are now at work for powers as large as 2000 i.h.p. In 1895 B. H. Thwaite demonstrated that the so-called waste gas from blast furnaces could be used in gas engines, and this undoubtedly led to the design and construction of the very large gas engines now becoming common both in Europe and in America. It appears from Thwaite’s experiments that the surplus gas from the blast furnaces of Great Britain is capable of supplying at least three-quarters of a million horse-power continuously day and night, and it is calculated that in America nearly three million horse-power is available from this source. Thwaite’s system was put into operation in 1895 at the Glasgow Iron Works, and it was also successfully applied near Barrow-in-Furness. For many reasons the system did not take immediate root in England, but in 1898 the Société Cockerill of Seraing near Liège applied an engine designed by Delamere-Deboutteville to utilize blast furnace gas. This engine indicated 213 h.p. running at 105 revolutions per minute. This was followed in 1899 by an engine giving 600 b.h.p. at 90 revolutions per minute used for driving a blowing cylinder for a blast furnace. It had a single cylinder of 51.2 in. diameter and a piston stroke of 55.1 in. About 1900 the Gasmotoren Fabrik Deutz built an Otto cycle engine of 1000 b.h.p. having four cylinders each 33 in. diameter and 39.3 in. stroke, speed 135 revolutions per minute. It was coupled direct to a dynamo. Crossley Bros. Ltd. took up the large gas engine at an early date, and a 400 h.p. engine by them was at work at Brunner, Mond & Co.’s works, Winnington, in 1900; it had two cylinders of 26 in. diameter and 36 in. stroke, and it ran at 150 revolutions per minute.

Fig. 3.—End Elevation of Otto Cycle Engine.

Gas engines operating on the Otto cycle are usually of the single acting open cylinder type up to about 200 b.h.p., but for the larger engines closed cylinders of the double acting type are used. The engine then closely resembles a double acting steam engine. It has a cylinder cover with packing box of a special type, and, in addition to the water jacket surrounding the cylinder and combustion spaces, the piston and piston rod are hollow and cooling water is forced through them by a pump. Such a double acting cylinder gives two succeeding power impulses and then two charging strokes so that one revolution of the crank shaft is occupied in charging and compression, while the succeeding revolution gets two power impulses. For still larger engines two such double acting cylinders are arranged in tandem, so that one piston rod runs through two pistons and connects to a slide in front and to one crank pin by a connecting rod. Such an engine gives two power impulses for every revolution of the crank shaft. The greatest power developed in one double acting cylinder is claimed by Ehrhardt and Sehmer for a cylinder of 45¼ in. diameter by 51¼ in. stroke, which at 94 revolutions per minute gives 1100 i.h.p.

Two-Cycle Engine.—While the Otto or four-cycle engine was developing as above described, inventors were hard at work on the two-cycle engine. In Britain this work fell mostly upon Clerk, Robson and Atkinson, while on the continent of Europe the most persevering and determined worker was Koerting.

Dugald Clerk began work on the gas engine at the end of 1876. His first patent was dated 1877 and dealt with an engine of the air pressure vacuum type. His next patent was No. 3045 of 1878, and the engine there described was exhibited at the Royal Agricultural Show at Kilburn, London, 1879. In it a pump compressed a mixture of air and gas into a reservoir, from which it entered the motor cylinder during the first part of its stroke. After cut-off ignition was caused by a platinum igniter, the piston was driven forward, and exhausting was performed on the return stroke. This engine gave three b.h.p., and it was the first compression explosion engine ever run giving one impulse for each revolution of the crank shaft. It had difficulties, however, which prevented it from reaching the market.

The particular type of engine now widely known as operating on the Clerk cycle was patented in 1881 (Brit. Pat. No. 1089). One of the earliest of these engines was set up at Lord Kelvin’s laboratory at the Glasgow university and used for the purpose of driving a Siemens dynamo and supplying his house with electric light. The engine was first exhibited in the Paris Electrical Exhibition of 1881 and the London Smoke Abatement Exhibition of the same year. In this engine the charge was not compressed by a separate pump. A pumping cylinder, it is true, was used, but its function was to act merely as a displacer to take in a mixture of gas and air and transfer it to the motor cylinder at as low a pressure as possible, in such a way that the entering charge displaced the exhaust gases through ports which were opened by the overrunning of the piston. The motor piston thus timed and controlled the exhaust discharge, and gave a power impulse for every revolution of the crank. Engines of the Clerk type were built largely by Messrs Sterne & Co. of Glasgow, the Clerk Gas Engine Co. of Philadelphia, U.S.A., the Campbell Gas Engine Co., and a modification was made and sold in considerable numbers by the Stockport Company. The lapsing of the Otto patent, however, in 1876 caused engineers to neglect the two cycle for a time, although a little later it was introduced for small engines in an ingenious and simple modification known as the Day engine. This two-cycle engine later became very popular, especially for motor launch work. The Clerk cycle is now much in use for large gas engines up to about 2000 horse as modified by Messrs Koerting of Hanover.

The Clerk cycle engine, as built in 1881, is shown in sectional plan at fig. 4. The engine contains two cylinders—a power cylinder A and a displacer cylinder B. The function of the displacer cylinder is to take in a combustible charge of gas and air and transfer it to the power cylinder, displacing as it enters the exhaust gases of the previous explosion. A compression space G is formed at the end of the motor cylinder A. It is of conical shape and communicates with the displacer cylinder B by means of a large automatic lift valve which opens into the compression space from a chamber communicating by a pipe with the displacer cylinder. At the out-end of the motor cylinder are placed V-shaped ports E which open to the atmosphere by an exhaust pipe. The outward travel of the motor piston C causes it to overrun these ports, as seen in fig. 4, and allows the pressure in the cylinder to fall to atmosphere. The action of the engine is as follows:—The displacer piston D on its forward movement draws in its charge of gas and air, and it is so timed with reference to the motor piston C that it has returned a small portion of its stroke just when the motor piston overruns the exhaust ports. The overrunning of the exhaust ports at once causes the pressure in the cylinder to fall to atmosphere, and then the pressure in the displacer overcomes the pressure in the motor cylinder and opens the lift valve, when the charge flows in to the motor cylinder through the conical compression space and displaces the exhaust gases through the ports E, while it fills up the cylinder A with the inflammable charge. The exhaust gases are sufficiently displaced and the fresh charge introduced into the cylinder by the time the motor piston has opened the exhaust ports E on the out-stroke and closed them on the return stroke. The two cylinders are so proportioned that the exhaust gases are expelled as completely as possible and replaced by fresh explosive mixture without any material part of this mixture escaping with the exhaust. Unless the proportions are carefully made such an escape is possible. The relative operations of the motor piston C and the displacer piston D are secured by advancing the crank of the displacer about a right angle compared to the motor crank. The motor piston on its in-stroke compresses the mixed charge into the conical space G; and, when compression is complete, the mixture is ignited by the slide valve F. This produces the power explosion which forces the piston forward until the exhaust ports are opened again. By this cycle of operations one power impulse is given for every revolution of the crank. The motor cylinder is surrounded by a water jacket in the usual manner, but it is unnecessary to water-jacket the displacer, as the gases are never hot.

Fig. 4.—Sectional Plan of Clerk Cycle Engine, 1881.

Robson also invented two-cycle engines. His first patent was taken out in 1877 (No. 2334). The engines described in his patents of 1879–1880 were of the two-cycle type, and in them no second cylinder was used. The front end of the motor cylinder was enclosed by a cover and packing box, and was used as a pump to force gas and air into a reservoir at a few ℔ above atmosphere. The motor piston was arranged to overrun ports in the side of the cylinder, but the exhaust discharge was not timed in that way. A separate lift valve controlled the overrun ports and determined when the exhaust should be discharged. When the exhaust was discharged at the end of the stroke the pressure from the gas and air reservoir was admitted by a lift valve to the cylinder to displace the remaining exhaust gases and fill the cylinder with charge. This mixture was compressed into a space at the end of the cylinder and ignited by means of a flame ignition device. Robson’s engine was built in considerable numbers by Messrs Tangye of Birmingham, the first exhibited by them at Bingley Hall at the end of 1880. The modern Day engine closely resembles the Robson engine so far as its broad operations are concerned.

Atkinson’s work on the gas engine was begun in 1878, his first patent being No. 3212 of 1879. The engine described in that patent somewhat resembled the 1878 engine of Clerk as exhibited at Kilburn. Atkinson was ingenious and persevering in the invention of two-cycle engines. Two of his engines were made in considerable numbers. The first was known as the “Differential” engine, exhibited at the Inventions Exhibition, London, in 1885. A later engine produced by him was called the “Cycle” engine, and it proved to be the most economical of all the motors tested at the Society of Arts trials of motors for electric lighting in 1888–1889. Atkinson joined Crossley Bros., and many of his ingenious contrivances are now at work on the well-known engines of that firm.

Four-cycle engines now practically monopolize the field of the smaller internal combustion engines, and very large engines are also constructed on this plan. The two-cycle, or Clerk cycle engines, however, compete strongly with the four-cycle for large gas engines using blast furnace gas. Koerting engines on the Clerk cycle are now built giving 1000 i.h.p. per double acting motor cylinder, and one power cylinder on this method gives two impulses per revolution. Messrs Mather & Platt build a Koerting engine of a modified type in England; an engine of their construction with a power cylinder of about 29 in. and 40½ in. stroke gives 700 b.h.p.

Fig. 5 shows in longitudinal section the power and pump cylinders of a Mather & Platt Koerting engine on the Clerk cycle; the power cylinder section is shown above that of the pump cylinders, but it is to be understood that both cylinders are in the same horizontal plane as in the Clerk engine shown at fig. 4. The Koerting engine, however, is double acting, whereas the Clerk engine was single acting. The power cylinder A has a power piston A1 and compression spaces A2A3. At the centre of the cylinders are exhaust ports E which open to the atmosphere and are overrun by the piston A1 at both ends of the stroke. A4 and A5 are inlet valves for gas and air. The single acting pump cylinders BB1 supply the air required for the charge, and the double acting gas cylinder CC1 supplies the gas. Both gas and air are led from these cylinders by separate passages to the inlet valves A4A5. The air pump pistons are lettered B2B3 and the gas pump piston C2. The main crank D connects as usual to the piston rod of the power piston A1, and the pump crank F to the trunk air pump piston B2 which drives the other air pump piston B3 and the gas pump piston C2 by a piston rod passing through all three. The gas mixture is not made until the inlet valves A4A5 are reached, so that no explosive mixture exists until it is formed within the cylinder A. The air is first introduced into the power cylinder to discharge some of the hot gases, and when the gas is also admitted the contents of the cylinder are cooled to some extent. The action of the engine is exactly as described with regard to the Clerk cycle, and the arrangement of the two cranks at about right angles to each other is also similar. The exhaust is discharged through the ports E, and the incoming charge fills the cylinder in the same way as in the Clerk engine.

Fig. 5.—Longitudinal Section of Two-Cycle Engine (Koerting-Clerk), new type, by Messrs Mather & Platt, Ltd.

Another large continental gas engine, known as the Oechelhäuser, operates on a modified Clerk cycle and is shown in sectional plan at fig. 6. The motor cylinder A has two pistons A1A2, A1 being operated by a centre and A2 by two outside cranks, side rods, and cross head; the pistons A1A2 thus move in opposite directions and give an effective stroke of double that due to one crank. B is the air and gas pump dealing with air on one side of its piston and gas on the other. A chamber C opens to an air reservoir supplied from the pump and to the power cylinder by ports C1; a similar chamber D opens to a gas reservoir supplied from the pump and to the power cylinder by ports D1. The exhaust ports E are provided at the other end of the cylinder. When the front piston overruns the exhaust ports E the pressure within the power cylinder falls to atmosphere; the back piston then opens the air ports C1 and air under slight pressure flows in, to be followed a little later by gas under slight pressure from the gas ports D1. In this way the power cylinder A is charged with gas and air mixture at each stroke, and when the pistons A1A2 approach each other the charge is compressed into the space between and then ignited by the electric spark. The pistons are then forced apart and perform their power stroke. The Oechelhäuser engine, which is built in Great Britain by Messrs Beardmore of Glasgow, has attained considerable success in driving blowing pumps for blast furnaces, in producing electric light, and in driving iron rolling mills.

Large gas engines are undoubtedly making great progress, as will be seen from the following interesting particulars prepared in 1908 by Mr R. E. Mathot of Brussels giving the numbers and horse power of large gas engines which had then been recently manufactured in Europe:—

Fig. 6.—Arrangement of Oechelhäuser Gas Engine.

Messrs Crossley Brothers, Limited, 57 motors, with an aggregate of 23,660 h.p.; Messrs Ehrhardt & Sehmer, 59 motors, total, 69,790 h.p.; the Otto Gasmotoren Fabrik, 82, total 47,400 h.p.; Gebrüder Koerting, 198, total 165,760 h.p.; Société Alsacienne, 55, total 23,410 h.p.; Société John Cockerill, 148, total 102,925 h.p.; Société Suisse, Winterthur, 67, total 8620 h.p.; Vereinigte Maschinenfabriken, Augsburg and Nürnberg, 215, total 256,240 h.p. The mean power of each gas engine made by Messrs Ehrhardt & Sehmer and the Augsburg and Nürnberg companies is in each case 1200 h.p. It is stated that in one factory there are gas engines representing a total output of 35,000 h.p. These European large gas engines thus give nearly 575,000 h.p. between them.

The installation of large gas engines has made considerable progress in America. Mr E. L. Adams estimated that 350,000 h.p. was at work or in construction in the United States in 1908. The first large engines were installed at the works of the Lackawanna Steel Co., Buffalo, New York. They were of the Koerting-Clerk type, and were built by the De La Vergne Co. of New York. They included 16 blowing engines, each of 2000 h.p., and 8 engines of 1000 h.p. each, driving dynamos to produce electric light. This large power plant was started in 1902. The Westinghouse Co. of Pittsburg have also built large engines, several of which are in operation at the various works of the Carnegie Steel Co. These Westinghouse engines are of the horizontal twin tandem type, having two cranks and four double-acting cylinders in each unit, the cylinders being 38 in. in diameter and the stroke 54 in. The Snow Steam Pump Co. have built similar horizontal tandem engines with cylinders of 42 in. diameter and 54 in. stroke. The English Westinghouse Co. have also designed large gas engines, and they exhibited a very interesting vertical multiple cylinder gas engine having four cranks and eight single-acting cylinders, four pairs, in tandem, at the Franco-British Exhibition of 1908; it gave 750 h.p., and the pistons were not watered.

Over two million horse-power of the smaller gas engines are now at work in the world, and certainly above one million horse-power of petrol motors.

The application of large gas engines to marine work, the compounding of the gas engine, and many other matters are being strenuously pursued. Capitaine of Frankfort-on-Main has built several vessels used for towing purposes in which the vessel is driven by gas engines operated by means of suction gas-producers consuming anthracite. Messrs Thornycroft and Messrs Beardmore in Great Britain have adopted the Capitaine designs, and both firms have applied them to sea-going vessels, Thornycroft to a gas launch which has been tested in the Solent, and Beardmore to an old gunboat, the “Rattler.” The “Rattler” was fitted with five-cylinder Otto cycle engines and suction gas-producers giving 500 i.h.p.; and has sailed some 1500 m. under gas power only. There are many difficulties to be overcome before large light and sufficiently slow-moving gas engines can be installed on board ship, but progress is being made, and without doubt all difficulties will be ultimately surmounted and gas power successfully applied to ships for both large and small power.

The flame and incandescent tube methods of ignition have been displaced by electrical ignition of both high and low tension types; all large gas engines are ignited electrically and generally by more than one igniter per cylinder.

The governing of large gas engines, too, is now effected so as to keep up continuity of impulses by the method either of throttling the charge inlet or by varying the point of admission of gas alone or air and gas mixed.

It may be said, indeed, without exaggeration, that the whole world is now alive to the possibilities of the internal-combustion motor, and that progress will be more and more rapid. This motor has almost fulfilled the expectations of those engineers who have devoted a large part of their lives to its study and advancement. They are looking forward now to the completion of the work begun so many years ago, and expect, at no distant date, to find the internal-combustion motor competing with the steam engine even in its latest form, the steam turbine, on sea as vigorously as it does at present on land.

Thermal Efficiency of Four-Cycle Engines.—The Otto and Clerk type engines are usually designated respectively four-cycle and two-cycle, because in the Otto type four strokes are necessary to complete the power-producing cycle of the engine and in the Clerk engine two strokes complete the cycle.

Indicated thermal efficiency may be defined as the proportion of the total heat of combustion which appears as work done by the explosion and expansion upon the piston. Brake thermal efficiency may be defined as the proportion of the total heat of combustion which appears as work given out by the engine available for overcoming external resistances; that is, brake thermal efficiency is the effective efficiency of the engine for doing work. In the early gas engines the indicated thermal efficiency was only 16%, as shown by tests of Otto engines from about 1877 to 1882, but now indicated thermal efficiencies of from 35% to 37% are often obtained. Some experimenters claim even higher efficiencies, but even 37% is higher than ordinary best practice of 1909. Table I. has been prepared to show this advance. It shows, in addition to indicated thermal efficiency, the brake thermal efficiency and the mechanical efficiency, together with other particulars such as engine dimensions, types and names of experimenters. It will be seen that brake thermal efficiency has also increased from 14% to 32%; that is, practically one-third of the whole heat of combustion is obtained by these engines in effective work available for all motive power purposes.

Table I.Indicated and Brake Thermal Efficiency of Four-Cycle Engines from 1882 to 1908.
No. Mechanical
Efficiency.
Names of
Experimenters.
Year. Dimensions
of Engine.
Indicated
Thermal
 Efficiency. 
Brake
Thermal
 Efficiency. 
Type of
Engine.
  Per cent.     Diam. Stroke. Per cent. Per cent.  
1 87·6 Slaby 1882  6·75″ × 13·7″ 16 14 Deutz
2 84·2 Thurston 1884  8·5″ × 14″ 17 14·3 Crossley
3 86·1 Society of Arts 1888  9·5″ × 18″ 22 18·9 Crossley
4 80·9 Society of Arts 1888  9·02″ × 14″ 21 17 Griffin (6-cycle) 
5 87·3 Kennedy 1888  7·5″ × 15″ 21 18·3 Beck (6-cycle)
6 82·0 Capper 1892  8·5″ × 18″ 22·8 17·4 Crossley
7 87·0 Robinson 1898 10″ × 18″ 28·7 25 National
8 83 Humphrey 1900 26″ × 36″ 31 25·7 Crossley
9 81·7 Witz 1900 51·2″ × 55·13″ 28 22·9 Cockerill
10 85·5 Inst. Civil. Eng. 1905 14″ × 22″ 35 [1] 29·9 National
11 77·1 Burstall 1907 16″ × 24″ 41·5 [2] 32 Premier
12 87·5 Hopkinson 1908 11·5″ × 21″ 36·8 32·2 Crossley

Thermal Efficiency of Two-Cycle Engines.—It has been found that two-cycle engines present greater practical difficulties in regard to obtaining high indicated and brake thermal efficiencies, but the thermodynamic considerations are not affected by the practical difficulties. As shown by Table II., these engines improved in indicated thermal efficiency from the value of 16·4% attained in 1884 to 38% in 1903, while the brake thermal efficiency rose in the same period from 14% to 29%. The numbers in Table II. are not so well established as those in Table I. The four-cycle engines have been so far subjected to much more rigid and authoritative tests than those of the two-cycle. It is interesting to see from the table that the mechanical efficiency of the early Clerk engines was 84%, while in the later large engines of the same type it has fallen to 75%.

Standards of Thermal Efficiency.—To set up an absolute standard of thermal efficiency it is necessary to know in a complete manner the physical and chemical properties and occurrences in a gaseous explosion. A great deal of attention has been devoted to gaseous explosions by experimenters in England and on the continent of Europe, and much knowledge has been obtained from the work of Mallard and Le Chatelier, Clerk, Langen, Petavel, Hopkinson and Bairstow and Alexander. From these and other experiments it is possible to measure approximately the internal energy or the specific heats of the gases of combustion at very high temperatures, such as 2000° C.; and to advance the knowledge on the subject a committee of the British Association was formed at Leicester in 1907. Recognizing, in 1882, that it was impossible to base any standard cycle of efficiency upon the then existing knowledge of gaseous explosions Dugald Clerk proposed what is called the air standard. This standard has been used for many years, and it was officially adopted by a committee of the Institution of Civil Engineers appointed in 1903, this committee’s two reports, dated March 1905 and December 1905, definitely adopting the air-standard cycle as the standard of efficiency for internal combustion engines. This standard assumes that the working fluid is air, that its specific heat is constant throughout the range of temperature, and that the value of the ratio between the specific heat at constant volume and constant pressure is 1.4. The air-standard efficiency for different cycles will be found fully discussed in the report of that committee, but space here only allows of a short discussion of the various cycles using compression previous to ignition.

Table II.—Indicated and Brake Thermal Efficiency of Two-cycle Engines from 1884 to 1908.

Mechanical
Efficiency.
Name of
Experimenter.
Year. Dimensions
of Motor
Cylinders.
Indicated
Thermal
Efficiency.
Brake
Thermal
Efficiency.
Type of Engine.
Per cent.     Diam. Stroke. Per cent. Per cent.  
84 Garrett 1884  9″ × 20″ 16.4 14 Clerk-Sterne
.. Stockport Co. 1884 .. .. .. 11.2 Andrews & Co.
83 Clerk 1887  9″ × 15″ 20.2 16.9 Clerk-Tangye
.. Atkinson 1885  71/2 .. .. 15 Atkinson
75 Meyer 1903 265/8 × (2″×371/2″) 38 29 Oechelhäuser
75 Mather & Platt 1907 .. .. 30.6 23 Koerting

For such engines there are three symmetrical thermodynamic cycles, and each cycle has the maximum thermal efficiency possible for the conditions assumed. The three types may be defined as cycles of (1) constant temperature, (2) constant pressure, and (3) constant volume.

The term constant temperature indicates that the supply of heat is added at constant temperature. In this cycle adiabatic compression is assumed to raise the temperature of the working fluid from the lowest to the highest point. The fluid then expands at constant temperature, so that the whole of the heat is added at a constant temperature, which is the highest temperature of the cycle. The heat supply is stopped at a certain period, and then the fluid adiabatically expands until the temperature falls to the lowest temperature. A compression operation then takes place at the lowest temperature, so that the necessary heat is discharged by isothermal compression at the lower temperature. It will be recognized that this is the Carnot cycle, and the efficiency E is the maximum possible between the temperature limits in accordance with the well-known second law of thermo-dynamics. This efficiency is E = (T − T1)/T = 1 − T1/T, where T is the absolute temperature at which heat is supplied and T1 the absolute temperature at which heat is discharged.

It is obvious that the temperatures before and after compression are here the same as the lower and the higher temperatures, so that if t be the temperature before compression and tc the temperature after compression, then E = 1 − t/tc. This equation in effect says that thermal efficiency operating on the Carnot cycle depends upon the temperatures before and after compression.

The constant pressure cycle is so called because heat is added to the working fluid at constant pressure. In this cycle adiabatic compression raises the pressure—not the temperature—from the lower to the higher limit. At the higher limit of pressure, heat is added while the working fluid expands at a constant pressure. The temperature thus increases in proportion to increase of volume. When the heat supply ceases, adiabatic expansion proceeds and reduces the pressure of the working fluid from the higher to the lower point. Again here we are dealing with pressure and not temperature. The heat in this case is discharged from the cycle at the lower pressure but at diminishing temperature. It can be shown in this case also that E = 1 − t/tc, that is, that although the maximum temperature of the working fluid is higher than the temperature of compression and the temperature at the end of adiabatic expansion is higher than the lower temperature, yet the proportion of heat convertible into work is determined here also by the ratio of the temperatures before and after compression.

The constant volume cycle is so called because the heat required is added to the working fluid at constant volume. In this cycle adiabatic compression raises the pressure and temperature of the working fluid through a certain range; the heat supply is added while the volume remains constant, that is, the volume to which the fluid is diminished by compression. Adiabatic expansion reduces the pressure and temperature of the working fluid until the volume is the same as the original volume before compression, and the necessary heat is discharged from the cycle at constant volume during falling temperature. Here also it can be shown that the thermal efficiency depends on the ratio between the temperature before compression and the temperature after compression. It is as before E = 1 − t/tc. Where t is the temperature and v the volume before compression, and tc the temperature and vc the volume after adiabatic compression, it can be shown that (vc/v)γ−1 = t/tc, so that E may be written

E = 1 − ( vc ) γ−1 ,
v  

and if vc/v = 1/r, the compression ratio, then

E = 1 − ( 1 ) γ−1 .
r  

Table III.Theoretical Thermal Efficiency for the Three Symmetrical
Cycles of Constant Temperature, Pressure and Volume.

1/r E    
1/2 0.026 1/7 0.55
1/3 0.36 1/10 0.61
1/4 0.43 1/20 0.70
1/5 0.48 1/100 0.85

Thus in all three symmetrical cycles of constant temperature, constant pressure and constant volume the thermal efficiency depends only on the ratio of the maximum volume before compression to the volume after compression; and, given this ratio, called 1/r, which does not depend in any way upon temperature determinations but only upon the construction and valve-setting of the engine, we have a means of settling the ideal efficiency proper for the particular engine. Any desired ideal efficiency may be obtained from any of the cycles by selecting a suitable compression ratio. Table III., giving the theoretical thermal efficiency for these three symmetrical cycles of constant temperature, pressure and volume, extends from a compression ratio of 1/2 to 1/100th. Such compression ratios as 100 are, of course, not used in practice. The ordinary value in constant volume engines ranges from 1/5th to 1/7th. In the Diesel engine, which is a constant pressure engine, the ratio is usually 1/12th. As the value of 1/r increases beyond certain limits, the effective power for given cylinder dimensions diminishes, because the temperature of compression is rapidly approaching the maximum temperature possible by explosion; thus a compression of 1/100th raises the temperature of air from 17° C. to about 1600° C, and as 2000º C. is the highest available explosion temperature for ordinary purposes, it follows that a very small amount of work would be possible from an engine using such compressions, apart from other mechanical considerations. It has long been recognized that constant pressure and constant volume engines have the same thermal efficiency for similar range of compression temperature, but Prof. H. L. Callendar first pointed out the interesting fact that a Carnot cycle engine is equally dependent upon the ratio of the temperature before and after compression, and that its efficiency for a given compression ratio is the same as the efficiencies proper for constant pressure and constant volume engines. Prof. Callendar demonstrated this at a meeting of the Institution of Civil Engineers Committee on thermal standards in 1904. The work of this committee, together with Clerk’s investigations, prove that in modern gas-engines up to to 50 h.p. it may be taken that the best result possible in practice is given by multiplying the air-standard value by .7. For instance, an engine with a compression ratio of one-third has an air-standard efficiency of 0.36, and the actual indicated efficiency of a well-designed engine should be .36 multiplied by .7 = 0.25. If, however, the compression ratio be raised to one-fifth, then the air-standard value .48 multiplied by .7 gives .336. The ideal efficiency of the real working fluid can be proved to be about 20% short of the air-standard values given. (D. C.) 


  1. The value 35% is deduced by the author from the Inst. C.E. Committee’s values.
  2. This value is, in the author’s view, too high; probably due to indicator error.