Page:EB1911 - Volume 09.djvu/211
of the supply to be given after the dynamos have been stopped. It is usual to provide sufficient storage capacity to run all the lamps for three or four hours without assistance from the dynamo.
As an example taken from actual practice, the following figures give the capacity of the plant put down to supply 500 8 c.p. lamps in a hospital. The dynamos were 15-unit machines, having a full-load capacity of 100 amperes at 150 volts, each coupled direct to an engine of 25 H.P.; and a double plant of this description was supplied from two steel locomotive boilers, each capable of evaporating 800 ℔ of water per hour. One dynamo during the day was used for charging the storage battery of 54 cells; and at night the discharge from the cells, together with the current from one of the dynamos, supplied the lamps until the heaviest part of the load had been taken; after that the current was drawn from the batteries alone. In working such a plant it is necessary to have the means of varying the electromotive force of the dynamo as the charging of the cells proceeds. When they are nearly exhausted, their electromotive force is less than 2 volts; but as the charging proceeds, a counter-electromotive force is gradually built up, and the engineer-in-charge has to raise the voltage of the dynamo in order to maintain a constant charging current. This is effected by having the dynamos designed to give normally the highest E.M.F. required, and then inserting resistance in their field circuits to reduce it as may be necessary. The space and attendance required for an oil-engine plant are much less than for a steam-engine.
Public Supply.—The methods at present in successful operation for public electric supply fall into two broad divisions:—(1) continuous-current systems and (2) alternating-current systems. Continuous-current systems are either low- or high-pressure. In the former the current is generated by dynamos at some pressure less than 500 volts, generally about 460 volts, and is supplied to users at half this pressure by means of a three-wire system (see below) of distribution, with or without the addition of storage batteries.
The general arrangements of a low-pressure continuous-current town supply station are as follows:—If steam is the motive power selected, it is generated under all the best conditions of economy by a battery of boilers, and supplied to engines which are now almost invariably Low-pressure continuous supply.coupled direct, each to its own dynamo, on one common bedplate; a multipolar dynamo is most usually employed, coupled direct to an enclosed engine. Parsons or Curtis steam turbines (see Steam-Engine) are frequently selected, since experience has shown that the costs of oil and attendance are far less for this type than for the reciprocating engine, whilst the floor space and, therefore, the building cost are greatly reduced. In choosing the size of unit to be adopted, the engineer has need of considerable experience and discretion, and also a full knowledge of the nature of the public demand for electric current. The rule is to choose as large units as possible, consistent with security, because they are proportionately more economical than small ones. The over-all efficiency of a steam dynamo—that is, the ratio between the electrical power output, reckoned say in kilowatts, and the I.H.P. of the engine, reckoned in the same units—is a number which falls rapidly as the load decreases, but at full load may reach some such value as 80 or 85%. It is common to specify the efficiency, as above defined, which must be attained by the plant at full-load, and also the efficiencies at quarter- and half-load which must be reached or exceeded. Hence in the selection of the size of the units the engineer is guided by the consideration that whatever units are in use shall be as nearly as possible fully loaded. If the demand on the station is chiefly for electric lighting, it varies during the hours of the day and night with tolerable regularity. If the output of the station, either in amperes or watts, is represented by the ordinates of a curve, the abscissae of which represent the hours of the day, this load diagram for a supply station with lighting load only, is a curve such as is shown in fig. 1, having a high peak somewhere between 6 and 8 p.m. The area enclosed by this load-diagram compared with the area of the circumscribing rectangle is called the load-factor of the station. This varies from day to day during the year, but on the average for a simple lighting load is not generally above 10 or 12%, and may be lower. Thus the total output from the station is only some 10% on an average of that which it would be if the supply were at all times equal to the maximum demand. Roughly speaking, therefore, the total output of an electric supply station, furnishing current chiefly for electric lighting, is at best equal to about two hours’ supply during the day at full load. Hence during the greater part of the twenty-four hours a large part of the plant is lying idle.

Fig. 1.
It is usual to provide certain small sets of steam dynamos, called the daylight machines, for supplying the demand during the day and later part of the evening, the remainder of the machines being called into requisition only for a short time. Provision must be made for sufficient reserve of plant, so that the breakdown of one or more sets will not cripple the output of the station.
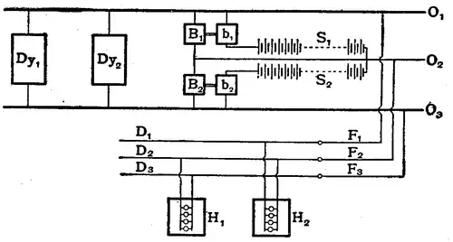
Assuming current to be supplied at about 460 volts by different and separate steam dynamos, Dy1, Dy2 (fig. 2), the machines are connected through proper amperemeters and voltmeters with omnibus bars, O1, O2, O3, on a main switchboard, so that any dynamo can be put in connexion Three-wire system.or removed. The switchboard is generally divided into three parts—one panel for the connexions of the positive feeders, F1, with the positive terminals of the generators; one for the negative feeders, F3, and negative generator terminals; while from the third (or middle-wire panel) proceed an equal number of middle-wire feeders, F2. These sets of conductors are led out into the district to be supplied with current, and are there connected into a distributing system, consisting of three separate insulated conductors, D1, D2, D3, respectively called the positive, middle and negative distributing mains. The lamps in the houses, H1, H2, &c., are connected between the middle and negative, and the middle and positive, mains by smaller supply and service wires. As far as possible the numbers of lamps installed on the two sides of the system are kept equal; but since it is not possible to control the consumption of current, it becomes necessary to provide at the station two small dynamos called the balancing machines, B1, B2, connected respectively between the middle and positive and the middle and negative omnibus bars.

Fig. 2.
These machines may have their shafts connected together, or they may be driven by separate steam dynamos; their function is to supply the difference in the total current circulating through the whole of the lamps respectively on the two opposite sides of the middle wire. If storage batteries are employed in the station, it is usual to install two complete batteries, S1, S2,