Page:Popular Science Monthly Volume 29.djvu/630

This page has been proofread, but needs to be validated.
612
THE POPULAR SCIENCE MONTHLY.

The great abundance of germs in the air is well shown in attempting to obtain pure cultures of the ferments, as all the care and some of the methods of the pathogenic bacteriologist must be practiced. The fact of their universal presence is more readily demonstrated by Fig. 22.—Inoculating a Culture Tube. growing them than can be done by the microscope alone, as one germ soon grows to a great colony, and to be seen singly may require staining to be differentiated by the microscope, so that it is likely it would have been overlooked in a specimen directly from the wood. The general dissemination of the spores of the fungi of the highest types by the wind has been mentioned; their invisibility like that of the ferments, however, eludes ordinary observation, and the bountiful supply of each, on every stick of timber, or the smallest piece of wood, is unnoticed.

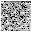
Fig. 23 shows the spores of Coprinus atramentarius (Fr.), "Inky Coprinus," magnified one hundred diameters, which just enables the engraver to define their form. Many spores are much smaller Inoculating and of different shapes, while the ferments found in the hemlock require enlarging to one thousand diameters to be as distinctly seen; what the latter lack in size is made up in quantity; and this it is which enables them to set up such destructive fermentations.

When decayed timber and ties dry, and crumble to dust, some of the ferments which caused their destruction will be disseminated by the winds,and each one can form a colony; not a stick of timber in the vicinity will escape a supply; drying at ordinary temperatures does not destroy, but only renders them inactive for the time being, and harmless until surrounded by the proper conditions for their germination. When these ferments fall upon unseasoned wood which contains from thirty-five to fifty per cent of its weight of moisture, many of them germinate and set up fermentations, especially in the sap-wood, increasing their number, though their further growth may be eventually checked by seasoning; the wood, however, shows the effect in proportion to the extent of the fermentations. Fig. 23, 100/1. The molds play an important part, and are often associated in the decomposition of the sap or fluids in the sap-wood, extending to those of the heart-wood.

The cellulose which composes the principal part of the cell-walls of the various tissues in the wood is of itself quite indestructible, and requires some inducing cause to start its decomposition through the contained sap or moisture, which the fungi can do when warmth and air, the latter in limited quantity, are present for them to grow.