Page:Popular Science Monthly Volume 63.djvu/125

This page has been proofread, but needs to be validated.
HERTZIAN WAVE WIRELESS TELEGRAPHY.
121

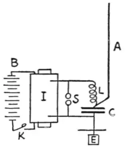
that the electrical time-period of both the two circuits mentioned shall be the same. This involves adjusting the inductance and capacity so that the product of conductance and capacity for each of these two circuits is numerically the same. Instead of employing an oscillation transformer between the condenser circuit and the aerial, the aerial may be connected directly to some point on the condenser circuit at which the potential oscillations are large, and we have then another arrangement devised by Professor Braun (see Fig. 14). In this case, in order to accumulate large potential Fig. 14. Braun's Radiator. B, battery; I, induction coil; K, key; S, spark gap; L, inductance coil; C, condenser; A, aerial. oscillations at the top of the aerial, it is, as we have seen, necessary that the length of the aerial shall be one quarter the length of the wave. If therefore the electrical oscillations in the condenser circuit are at the rate of N per second, in other words, have a frequency N, the wave-length corresponding to this frequency is given by the expression,

The number is the value in centimeters per second of the velocity of the electromagnetic wave, and is identical with that of light. The corresponding resonant length of the aerial is therefore one fourth of this wave-length, or . Generally speaking, however, it will be found that with any length of aerial which is practicable, say 200 feet or 6,000 cms., this proportion necessitates rather a high frequency in the primary oscillation circuit. In the case considered, viz., for an aerial 200 feet in height, the oscillations in the primary circuit must have a frequency of one and a quarter million. This high frequency can only be obtained either by greatly reducing the inductance of the primary discharge circuit, or reducing the capacity. If we reduce the capacity, we thereby greatly reduce the storage of energy, and it is not practicable to reduce the inductance below a certain amount.

Summing up, it may be said that there are three, and as far as the writer is aware, at present only three, modes of exciting the electrical oscillations in an aerial wire. First, the aerial may itself be used as an electrical reservoir and charged to a high potential and suddenly discharged to the earth. This is the original Marconi method. The second method, due to Braun, consists of attaching the aerial to some point on an oscillation circuit consisting of a condenser, an inductance coil and a spark gap, in series with one another, and charging and