United States patent 851336
| No. 851,336. | Patented Apr. 23, 1907. | |||||
| G. von Arco. Transmitter for Wireless Telegraphy. | ||||||
| ||||||
![]() |
![]() | |||||
United States Patent Office.
Georg von Arco, of Berlin, Germany.
Transmitter for Wireless Telegraphy
| No. 851,336 | Specification of Letters Patent. | Patented April 23, 1907. |
Application filed June 27, 1905. Serial No. 268,009.
To all whom it may concern:
Be it known that I, Georg Graf von Arco, a subject of the King of Prussia, residing at Berlin, Germany, have invented certain5 new and useful Improvements in Transmitters, for Wireless Telegraphy, of which the following is a full, clear, and exact description.
In practical exchange of messages between 10wireless telegraph stations the problem frequently exists of tuning the transmitter of one station to the length of the waves of a distant transmitter, either for the purpose of answering the distant station or, what is for 15military purposes of greater importance, with the object of preventing the receipt of messages between other stations communicating with one another. In the latter case great speed in the tuning of the transmitter 20to the distant emitted wave is of the greatest importance, in order that the foreign stations may not find time to deliver an understandable message.
In transmitter arrangements hitherto 25known, the method pursued was to tune the receiving aerial conductor first by means of a detector which responded to variations of amplitude of the waves, and to ascertain the wave lengths of the foreign transmitter from 30the hereby resulting dimensions of the self-induction coils and condenser; then the transmitter of the home station was tuned to the same wave lengths with the assistance of an ordinary wave meter. For this a double 35tuning is thus necessary, firstly that of the home receiver and then that of the home transmitter, and this method necessitated a great waste of time.
Now this invention relates to an arrangement40 of transmitter in which one manipulation is omitted, and the home transmitter is directly tuned by means of a detector connected therewith. The transmitter may then be immediately used for dispatching 45the ascertained wave, after this detector has been switched off.
In the present invention it is of importance that no deleterious or impeding alteration of the length of the waves of the transmitter 50shall take place by the switching off of the detector from the transmitter.
This improved arrangement of transmitter will now be more particularly described with reference to the accompanying drawings, in 55which:
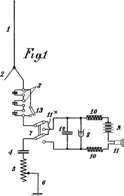
Figure 1 is a diagrammatic view of the new arrangement in combination with a simple transmitter in which the sparking device is arranged directly in the aerial wire. Figs. 2 and 3 are modifications of Fig. 1; and Fig. 460 shows the use of the invention in a transmitter which is fed from a closed exciter circuit.
In Fig. 1, 1 is the aerial conductor from which a wire 2 leads to the receiver apparatus65 which is switched off by means of a switch when transmitting from the home station. 3 is the sparking device which is composed of several small spark gaps to each of which a small condenser is inserted in parallel with70 the object of uniformly distributing the charge potential over the separate spark gaps. 4 and 5 indicate a variable condenser and a variable self-induction for altering the length of the waves of the transmitter. 6 is75 an earth connection or a wire which connects the aerial conductor to earth or an equivalent electrical counterpoise: 7 is a switch by means of which the detector 8 may be switched into the transmitter circuit. This80 detector is of such a kind that it enables alterations of amplitude of the electric waves transmitted to it, to be ascertained, that is to say a so-called integral detector. In the present case an electrolytic cell is employed85 for this object, over which cell the current of a battery 9 constantly flows, which is connected with the detector by means of choking coils 10. A telephone 11 also lies in the local circuit by means of which telephone all alterations90 in the electric behaviour of the cell may be ascertained. A comparatively large condenser 12 variable in its capacity, lies in parallel with the cell.
With the object of tuning the transmitter95 to the length of the waves radiated from a distant transmitter the procedure is as follows: The sparking device is first short circuited by means of the switch 13, and then by means of the switch 7 the cell 8 is switched100 on into the transmitter circuit with the condenser 12 lying parallel with the cell. The condenser 12 is then adjusted to an average capacity and the condenser 4 and the self-induction 5 altered until the maximum pitch105 or strength of sound is obtained in the telephone 11. The capacity of the condenser is then enlarged and now the condenser 4 and self-induction 5 are suitably altered until again the greatest strength of sound in the110 telephone takes place. The operation is continued in this manner under constant en-largement of the capacity of the condenser 12, whereby finally a very sharp tuning of the transmitter to the length of the waves of the distant transmitter is obtained. Then 115the detector is cut off from the transmitter by means of the switch 7 and the circuit is again closed over the wire 11x and the switch 13 is opened. The transmitter is now ready for work, so that signals of the just determined120 length of waves may be immediately sent.
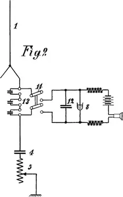
Instead of breaking the transmitter circuit by the use of a switch 7 at one place and switching on the detector into this place, 125the switching of the detector into the transmitter may be operated without such breaking of the transmitter circuit, in the manner shown in Fig. 2, the detector being placed in parallel to the sparking device by the intermediary130 of the switch 14. During the transmission of signals the switch 14 is in the position of repose shown.
If in tuning the transmitter, the capacity of the condenser 12 has not become large 135enough to be able to be neglected relative to the capacity of the aerial conductor and that of the condenser 4, a small alteration of the tuning value takes place when the cell and the condenser 12 are switched off, in the 140direction of an enlargement of the length of the waves of the transmitter. In order to avoid this it is preferable to employ the connections shown in Fig. 3. In this arrangement of the electrolytic cell 8 with a previously inserted 145condenser 15, is switched on by means of the switch 16 in parallel to the variable condenser 4 lying in the transmitter circuit. The condenser 15 must in this case be as small as possible and, in the tuning of the 150aerial wire, the condenser 4 must not be altered, or at least only gradually altered, whilst the fine tuning must take place by the alteration of the self-induction 5. After the tuning has taken place it is then only necessary155 to switch off the cell and the condenser 15 by means of the switch 16 in order to make the transmitter ready for dispatching messages. The arrangement shown in Fig. 3 is more particularly employed when the 160condenser 4 lying in the aerial conductor is a comparatively large one, whilst the arrangement shown in Fig. 1 is only employed when the condenser 4 is a comparatively small one.
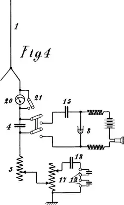
In using a transmitter which is fed from a 165closed exciter circuit (Fig. 4), a similar arrangement maybe adopted as was described with reference to Figs. 1 and 3 but the circumstances are not so simple as in those cases. In fact it does not suffice here 170only to tune the open transmitter circuit alone but also the closed exciting circuit 17, 18, 19, must be tuned to the length of the waves radiated from the transmitter. This is done in the simplest way by the open transmitter175 being first tuned in the manner described in connection with Fig. 3, and then the closed oscillation circuit altered by variations of the self-induction 17, until a current meter inserted in the transmitter, for instance, a hot wire instrument 20, indicates180 a maximum oscillation. The desired coupling between exciting and transmitting circuits is established by altering the coils common to both circuits of the self-induction coils common to both circuits of the self-induction coil 17. By this means the number of inherent185 oscillations of the aerial conductor is indeed somewhat altered but this alteration of the self-induction of the aerial conductor is so small by reason of the self-induction190 which is distributed in the aerial conductor being so small that it may be practically disregarded.
During the tuning of the transmitter circuit and also during the transmission, it195 suffices to short circuit the current meter 20 by means of the switch 21.
What I claim as my invention and desire to secure by Letters Patent of the United States is:200
1. In wireless telegraph apparatus, means for tuning a transmitter to a distant sending station, said means comprising the combination of an open oscillation circuit having an aerial with an earth or equivalent connection,205 means in said circuit for varying its inherent period, a detector responding to current intensities, means for connecting and disconnecting said detector in said circuit, and means whereby electrical oscillations210 may be produced in said circuit.
2. In wireless telegraph apparatus, means for tuning a transmitter to a distant sending station, said means comprising the combination of the transmitter, means for varying215 the inherent periods of the transmitter, a detector responsive to current intensities means for connecting and disconnecting said detector with the transmitter and its period-varying means, and means whereby electrical220 oscillations may be produced in the transmitter.
3. In wireless telegraph apparatus, means for tuning a transmitter to a distant sending station, said means comprising the combination225 of the transmitter, means for tuning the transmitter, a detector responsive to current intensities, means for connecting and disconnecting the detector with the transmitter and its tuning means, and a sparking device for230 the transmitter.
4. In wireless telegraph apparatus, means for tuning a transmitter to a distant sending station, said means comprising the combination of the transmitter, means for tuning the235 same, a detector responsive to current intensities, a capacity, means for connecting the capacity in parallel with the detector, means for connecting and disconnecting the detector with the transmitter and its tuning240 means, and means whereby electrical oscillation maybe produced in said transmitter.
5. In wireless telegraph apparatus, means for tuning a transmitter to a distant sending 245station, said means comprising the combination of the transmitter, means for tuning the same, a sparking device for the transmitter, a detector responsive to current intensities, means for connecting and disconnecting250 the detector with the transmitter and its tuning means, and in parallel with the sparking device.
6. In wireless telegraph apparatus, means for tuning a transmitter to a distant sending 255station, said means comprising the combination of the transmitter, tuning devices for the transmitter, a detector responsive to current intensities, means for co-operatively connecting the detector and said tuning means 260with the transmitter for tuning the same and for disconnecting the detector after the transmitter is tuned.
7. In wireless telegraph apparatus, means for tuning a transmitter265 to a distant sending station, said means comprising the transmitter, a spark device and tuning means for the transmitter, a detector responsive to current intensities, means for connecting and disconnecting the detector with the transmitter and tuning means, and in parallel to270 the spark gap.
8. In wireless telegraph apparatus, means for tuning a transmitter to a distant sending station, said means comprising the combination of a transmitter, a spark device in series275 therein, tuning means in the transmitter, a detector responsive to current intensities, means for connecting and disconnecting the detector with the transmitter and tuning means, and means for shunting the spark device280 when the detector is connected.
In witness whereof, I hereunto subscribe my name this ninth day of June A. D. 1905.
Georg von Arco.
- Witnesses:
- Henry Hasper,
- Woldmar Haupt.
This work was published before January 1, 1930, and is in the public domain worldwide because the author died at least 100 years ago.
Public domainPublic domainfalsefalse





